Groothandel Cycloonplaat natte gaswasser

  • Cycloonplaat natte gaswasser

Cycloonplaat natte gaswasser

De cycloonwassertoren heeft typisch een cilindrisch torenlichaam uitgerust met spiraalvormige keerplaten. Tijdens bedrijf komt het rookgas tangentiaal vanaf de onderkant van de toren binnen en stroomt naar boven. Geleid door de bladen van de keerplaten, spiraalt het gas omhoog, waardoor de vloeistof die langs de platen naar beneden stroomt, in fijne druppeltjes wordt verstoven. Hierdoor ontstaat een groot gas-vloeistofcontactoppervlak. De druppels worden door de gasstroom meegevoerd en roteren, waardoor centrifugaalkracht ontstaat die de interactie tussen gas en vloeistof verbetert. Uiteindelijk worden de druppels op de torenmuur geworpen, stromen ze langs de muur naar beneden naar de volgende keerplaat en worden ze opnieuw verneveld door de gasstroom voor verder contact. Zoals beschreven bereikt de vloeistof een grondig contact met het gas terwijl de effectieve scheiding behouden blijft, waardoor het meeslepen van nevel tot een minimum wordt beperkt. Het gas-vloeistof laadvermogen van dit systeem is ruim het dubbele van dat van conventionele keerplaten.

De uitstekende gas-vloeistofcontactomstandigheden van de toren zorgen voor een efficiënte absorptie van afgassen door alkalische vloeistoffen. Bovendien vertoont de cycloonwastoren superieure prestaties op het gebied van stofverwijdering. Stofdeeltjes in het gas worden opgevangen door watermist op de spiraalvormige keerplaten, en ook deeltjes en druppels die door de middelpuntvliedende kracht op de torenwand worden geworpen, worden effectief verwijderd. Als gevolg hiervan draagt ​​het gas dat de toren verlaat zo weinig mogelijk stof en druppels mee. De windsnelheid bij een lege toren ligt tussen 2,2 en 2,7 m/s.

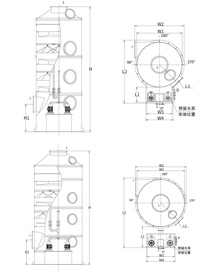
Structuur van de wervelsproeitoren:
Zoals weergegeven in de afbeelding: Het complete verpakte sproeischrobsysteem omvat de volgende componenten:

● Torenlichaam gemaakt van PP (polypropyleen) platen;

● Frame opgebouwd uit PP-spiraalschotten;

● Spuitaansluitleidingen van UPVC (ongeplastificeerd polyvinylchloride);

● PP-spiraalsproeiers;

● Corrosiebestendige PP-circulatiepomp;

● Ontwasemingslaag (mesh/cycloon/baffle-type);

● Handmatige en automatische wateraanvulapparaten;

● Overloop- en afvoerleidingen;

● Inspectievenster.

Selectieparameters voor cycloonplaattoren:
Om transportgemak en veiligheid te garanderen, zijn PP-cycloonwastorens onderverdeeld in twee specificatiecategorieën:

Type 1: Geïntegreerde cycloonwasser met watertank (diameter toren: Φ1000 mm - Φ2200 mm)

Type 2: Cycloonwasser met watertank met split-type (diameter toren: Φ2500 mm - Φ3500 mm)


Cycloonscrubbertorenmodellen die overeenkomen met de luchtstroomcapaciteit:

Model Bereik luchtvolume Apparaatgrootte Vermogen waterpomp Aantal wervelbladen Bereik van windsnelheid Uitrustingsmateriaal
XL-600 0-2800m³/u Φ600×2950 0,75 kW 2 0-2,76 m/s PP/304/Q235/FRP
XL-800 3800-5000m³/u Φ800×3300 0,75 kW 2 2,11-2,77 m/s PP/304/Q235/FRP
XL-1000 6000-7500m³/u Φ1000×4380 1,5 kW 2 2,13-2,66 m/s PP/304/Q235/FRP
XL-1200 8500-11000m³/u Φ1200×4430 2,2 kW 2 2,09-2,71 m/s PP/304/Q235/FRP
XL-1500 14000-17000m³/u Φ1500×5000 3,75 kW 2 2,2-2,68 m/s PP/304/Q235/FRP
XL-1800 20000-25000m³/u Φ1800×5650 5,5 kW 2 2,19-2,73 m/s PP/304/Q235/FRP
XL-2000 25001-30000m³/u Φ2000×6200 5,5 kW 2 2,21-2,66 m/s PP/304/Q235/FRP
XL-2200 30001-37000m³/u Φ2200×6700 7,5 kW 2 2,19-2,71 m/s PP/304/Q235/FRP
XL-2500 40000-47000m³/u Φ2500×6850 7,5 kW 2 2,27-2,66 m/s PP/304/Q235/FRP
XL-2800 49000-58000m³/u Φ2800×7900 11 kW 2 2,21-2,62 m/s PP/304/Q235/FRP
XL-3000 58000-68000m³/u Φ3000×8000 11 kW 2 2,28-2,67 m/s PP/304/Q235/FRP
XL-3200 68000-78000m³/u Φ3200×8000 15 kW 2 2,35-2,7 m/s PP/304/Q235/FRP
XL-3500 78000-88000m³/u Φ3500×8000 15 kW 2 2,25-2,54 m/s PP/304/Q235/FRP

Opmerking: Niet-standaard ontwerpen kunnen worden gemaakt volgens de eisen van de klant.

Selectiediagram:

Hangzhou Lvran Environmental Protection Group Co., Ltd.

  • 1000+

    Klanten van serviceunits

  • 2000+

    Nationale technische cases

Hangzhou Lvran Environmental Protection Group Co., Ltd. is een uitgebreide technische dienstverlener en fabrikant van apparatuur voor de beheneling van afvalgassystemen, die R&D, technische diensten, ontwerp, productie, technische installatie en after-sales service integreert.

We are China Cycloonplaat natte gaswasser Suppliers and Wholesale Cycloonplaat natte gaswasser Exporter, Company. De Groep is een nationale hightech onderneming, een wetenschaps- en technologieonderneming in de provincie Zhejiang, een regionaal R&D-centrum en een kredieteenheid met AAA-rating. Het bezit meer dan 30 patenten op gebruiksmodellen, talrijke patenten op uitvindingen en auteursrechten op software. De Groep heeft langdurige technische R&D-samenwerkingen met binnenlandse universiteiten en instellingen, waaronder het "Environmental Innovation R&D Center", opgericht in samenwerking met de Anhui University of Science and Technology, en het "Plasma Energy and Environmental New Technology R&D Center", gezamenlijk ontwikkeld met de Zhejiang Sci-Tech University. De Groep heeft een eigen R&D- en productiebasis opgezet voor diepgaande technische samenwerking. De Groep beschikt over de belangrijkste VOC-gasbehandelingstechnologie, beschikt over een algemene contractkwalificatie van niveau 2 voor de bouw van gemeentelijke openbare werken, een veiligheidsproductielicentie, een speciale ontwerpkwalificatie van klasse B voor de beheersing van milieuvervuiling in de provincie Zhejiang, niet-geclassificeerde kwalificaties voor arbeidsdiensten en gespecialiseerde contracten voor speciale projecten. De Groep is gecertificeerd volgens ISO9001 voor internationale kwaliteit, ISO14001 voor milieubeheer en ISO45001 voor gezondheid en veiligheid op het werk.

EER & CERTIFICAAT

De volgende onderscheidingen vertegenwoordigen onze genialiteit. We winnen klanten met producten van hoge kwaliteit en krijgen veel lof van de markt en alle lagen van de bevolking met goede diensten.

  • Een plaatvormige basiseenheid en reactor met hoog elektrisch veld om lekkage langs het oppervlak te voorkomen
  • Een reactieapparaat voor het synthetiseren van methanol met behulp van koolstofdioxide en water en een werkwijze voor het synthetiseren van methanol met behulp van koolstofdioxide en water
  • Zelfreinigende elektrostatische stofvanger
  • Een corrosiebestendige hogedrukventilator met aanpassing van de windrichting
  • Een regelbare zelfreinigende ventilator met hoge capaciteit
  • Gecombineerd controlesysteem voor de voorbehandeling van uitlaatgassen door katalytische vergassing
  • Stoomreinigend continu elektrostatisch veld uitlaatgasreinigings- en behandelingssysteem
  • Lage temperatuur plasma UV-fotolyse uitlaatgaszuiveringsapparatuursysteem
  • Registratiecertificaat voor handelsmerk
Recent nieuws en evenementen
Deel met jou
Bekijk meer nieuws