Groothandel Chemische wasser

  • Chemische wasser

Chemische wasser

De chemische wasser is een geavanceerd wasfilter. Het maakt gebruik van een speciale structuur en een groot specifiek oppervlak van reguliere pakking als massaoverdracht en dehydratatiepakking. Tegelijkertijd worden, afhankelijk van de verschillende geurveroorzakende componenten in de geur, het overeenkomstige zuur, de alkali en het oxidatiemiddel gebruikt als absorptiewasvloeistof om de geur in de ruimte te verwijderen en de impact op de omgeving te elimineren.

De geurige luchtstroom wordt door het luchtkanaal getransporteerd en komt via de toreninlaat de toren binnen. Nadat het de toren is binnengegaan, gaat het van onder naar boven door de pakkinglaag en wordt het uiteindelijk via de corrosiewerende ventilator uit de pijpleidinguitlaat van de toren afgevoerd. De neutraliserende oplossing passeert de vloeistofafscheider aan de bovenkant van de toren, spuit gelijkmatig in de pakkinglaag, stroomt langs het oppervlak van de pakkinglaag naar beneden totdat deze via de pijpleiding vanaf de bodem van de toren wordt afgevoerd en wordt gecirculeerd door de anticorrosiecirculatiepomp. Naarmate de concentratie opgeloste stoffen in de stijgende luchtstroom steeds lager wordt, wordt de zuiveringsfunctie bereikt wanneer deze de top van de toren bereikt, en wordt deze afgevoerd of wordt deze verder gezuiverd via de volgende stap. Integendeel, de concentratie van het medium in de dalende vloeistof wordt steeds hoger en bereikt de procesomstandigheden wanneer het de bodem van de toren bereikt en uit de toren wordt afgevoerd.

Voordelen van de sproeiverpakkingstoren: deze heeft een hoog rendement, een kleine vloeistofopnamecapaciteit, een laag gewicht en een eenvoudige bediening, waardoor werknemers onmiddellijk aan de slag kunnen. Het vulmiddel kan worden geselecteerd op basis van de door de klant geleverde werkomstandigheden. Er zijn veel soorten en over het algemeen worden corrosiebestendige kogelringen gebruikt. Er moet echter worden opgemerkt dat vaste zwevende stoffen het vulmiddel kunnen verstoppen vanwege de grote deeltjesdiameter, waardoor het over het algemeen niet geschikt is voor de behandeling van vaste stoffen. Met deze apparatuur kunnen bijvoorbeeld NH₃, HCl, H₂S, stikstofoxiden en organisch afvalgas dat door fabrieken wordt gegenereerd, effectief worden behandeld.

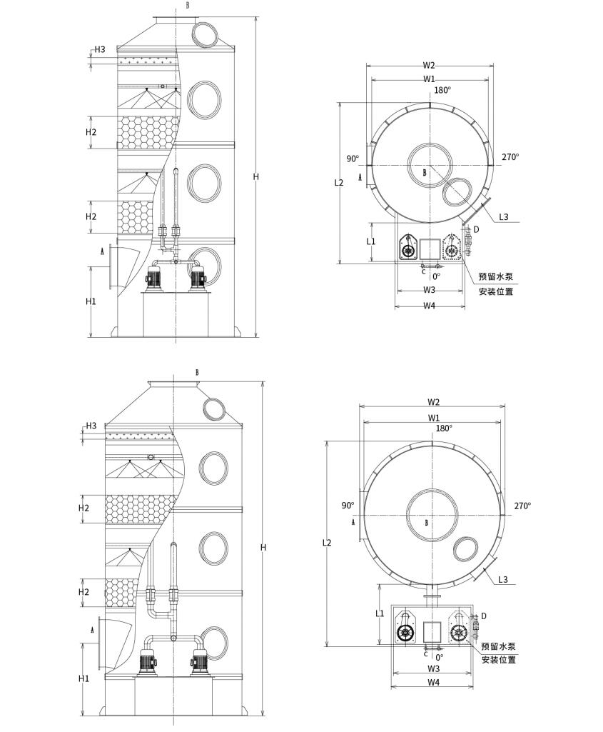
Structuur van de chemische wasser:
Zoals weergegeven in de afbeelding: Het complete verpakte sproeischrobsysteem omvat de volgende componenten:

1. Het torenlichaam is gemaakt van PP (polypropyleen) platen;

2. Verpakkingssteunframe gemaakt van PP-roosterpanelen;

3. Aansluitleidingen van UPVC spuiten;

4. PP-spiraalmondstukken;

5. Holle bal of Pall-ringverpakking;

6. Corrosiebestendige PP-circulatiepomp;

7. Mesh-ontwasemingslaag;

8. Handmatige en automatische wateraanvulapparatuur;

9. Overloop- en afvoerleidingen;

10. Inspectievenster.

Selectie chemische wasser:
Technische parametertabel van verpakte sproeiwassers

Om transportgemak en veiligheid te garanderen, zijn PP-verpakte sproeiwassers onderverdeeld in twee typen:

Type 1: Geïntegreerde sproeiwasser met watertank (diameter toren: Φ1000 mm - Φ2200 mm)

Type 2: Split-type sproeiwasser met watertank (diameter toren: Φ2500 mm - Φ3500 mm)


Modelspecificaties die overeenkomen met de luchtstroomcapaciteit:

Model Luchtvolume Apparaatgrootte Vermogen waterpomp Vulling dikte Windsnelheid Uitrustingsmateriaal
LRTL-600 0-1500m³/u Φ600x3000 0,75 kW 500*2 1,48 m/sec PP/304/Q235/FRP
LRTL-800 1501-2500m³/u Φ800x3000 0,75 kW 500*2 1,39 m/sec PP/304/Q235/FRP
LRTL-1000 2501-4000m³/u Φ1000x5000 1,5 kW 500*2 1,42 m/s PP/304/Q235/FRP
LRTL-1200 4001-6000m³/u Φ1200x5000 2,2 kW 500*2 1,48 m/sec PP/304/Q235/FRP
LRTL-1500 6001-9500m³/u Φ1500x5000 3,75 kW 500*2 1,5 m/sec PP/304/Q235/FRP
LRTL-1800 9501-14000m³/u Φ1800x5000 5,5 kW 500*2 1,53 m/sec PP/304/Q235/FRP
LRTL-2000 14001-17000m³/u Φ2000x6000 5,5 kW 500*2 1,5 m/sec PP/304/Q235/FRP
LRTL-2200 17001-20000m³/u Φ2200x6000 7,5 kW 500*2 1,46 m/s PP/304/Q235/FRP
LRTL-2500 20001-27000m³/u Φ2500x6000 7,5 kW 500*2 1,53 m/sec PP/304/Q235/FRP
LRTL-2800 27001-33000m³/u Φ2800x6000 15 kW 500*2 1,49 m/sec PP/304/Q235/FRP
LRTL-3000 33001-38000m³/u Φ3000x6800 15 kW 500*2 1,49 m/sec PP/304/Q235/FRP
LRTL-3200 38001-44000m³/u Φ3200x6800 15 kW 500*2 1,52 m/sec PP/304/Q235/FRP
LRTL-3500 44001-55000m³/u Φ3500x6800 15 kW 500*2 1,5 m/sec PP/304/Q235/FRP

Opmerking: Niet-standaard ontwerpen kunnen worden aangepast aan de eisen van de klant.

Selectiediagram:

Hangzhou Lvran Environmental Protection Group Co., Ltd.

  • 1000+

    Klanten van serviceunits

  • 2000+

    Nationale technische cases

Hangzhou Lvran Environmental Protection Group Co., Ltd. is een uitgebreide technische dienstverlener en fabrikant van apparatuur voor de beheneling van afvalgassystemen, die R&D, technische diensten, ontwerp, productie, technische installatie en after-sales service integreert.

We are China Chemische wasser Suppliers and Wholesale Chemische wasser Exporter, Company. De Groep is een nationale hightech onderneming, een wetenschaps- en technologieonderneming in de provincie Zhejiang, een regionaal R&D-centrum en een kredieteenheid met AAA-rating. Het bezit meer dan 30 patenten op gebruiksmodellen, talrijke patenten op uitvindingen en auteursrechten op software. De Groep heeft langdurige technische R&D-samenwerkingen met binnenlandse universiteiten en instellingen, waaronder het "Environmental Innovation R&D Center", opgericht in samenwerking met de Anhui University of Science and Technology, en het "Plasma Energy and Environmental New Technology R&D Center", gezamenlijk ontwikkeld met de Zhejiang Sci-Tech University. De Groep heeft een eigen R&D- en productiebasis opgezet voor diepgaande technische samenwerking. De Groep beschikt over de belangrijkste VOC-gasbehandelingstechnologie, beschikt over een algemene contractkwalificatie van niveau 2 voor de bouw van gemeentelijke openbare werken, een veiligheidsproductielicentie, een speciale ontwerpkwalificatie van klasse B voor de beheersing van milieuvervuiling in de provincie Zhejiang, niet-geclassificeerde kwalificaties voor arbeidsdiensten en gespecialiseerde contracten voor speciale projecten. De Groep is gecertificeerd volgens ISO9001 voor internationale kwaliteit, ISO14001 voor milieubeheer en ISO45001 voor gezondheid en veiligheid op het werk.

EER & CERTIFICAAT

De volgende onderscheidingen vertegenwoordigen onze genialiteit. We winnen klanten met producten van hoge kwaliteit en krijgen veel lof van de markt en alle lagen van de bevolking met goede diensten.

  • Een plaatvormige basiseenheid en reactor met hoog elektrisch veld om lekkage langs het oppervlak te voorkomen
  • Een reactieapparaat voor het synthetiseren van methanol met behulp van koolstofdioxide en water en een werkwijze voor het synthetiseren van methanol met behulp van koolstofdioxide en water
  • Zelfreinigende elektrostatische stofvanger
  • Een corrosiebestendige hogedrukventilator met aanpassing van de windrichting
  • Een regelbare zelfreinigende ventilator met hoge capaciteit
  • Gecombineerd controlesysteem voor de voorbehandeling van uitlaatgassen door katalytische vergassing
  • Stoomreinigend continu elektrostatisch veld uitlaatgasreinigings- en behandelingssysteem
  • Lage temperatuur plasma UV-fotolyse uitlaatgaszuiveringsapparatuursysteem
  • Registratiecertificaat voor handelsmerk
Recent nieuws en evenementen
Deel met jou
Bekijk meer nieuws